La carcasa de membrana de plástico reforzado con fibra de vidrio (FRP) de Pullner está diseñada específicamente para complementar los cartuchos filtrantes de alto flujo, atendiendo a sectores industriales en busca de soluciones de filtración resistentes a la corrosión. Esta innovación representa la respuesta perfecta a los retos presentados por líquidos corrosivos, brindando un rendimiento mejorado y una resistencia superior contra la corrosión, fugas y desprendimientos. Nuestro diseño de filtro de núcleo único facilita una integración fluida con sistemas de ultrafiltración y ósmosis inversa, mientras que las configuraciones de múltiples núcleos se adaptan a las necesidades específicas en sitio.
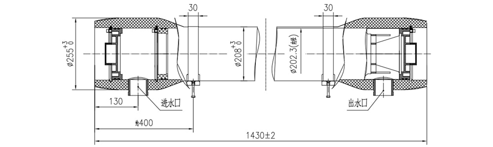
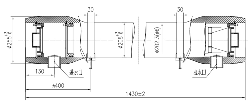
| Carcasa del filtro y sistema de filtrado | FRP |
| Puerto de entrada | FRP |
| Sillín | Caucho |
| Correas | Acero inoxidable/caucho/latón |
| Pernos de la correa | Acero inoxidable |
| Junta tórica | EPDM/Silicona/Caucho fluorado/PTFE |
| Presión de diseño | 0.6MPa/1.0MPa |
| Temperatura de funcionamiento | ~10℃~65℃ |
| Número de cartuchos | 1 |
| Longitud del cartucho | 1028mm/1540mm |
| Diámetro del cartucho | 152mm |
| Entrada/salida | De interior a exterior |
| Caudal/flujo de diseño | 35m³/h |
La carcasa de membrana FRP de Pullner se utiliza ampliamente en las industrias farmacéutica, de producción química y de procesamiento de alimentos y bebidas. Es la solución ideal para una amplia gama de procesos de filtración, clarificación y purificación de líquidos.

Nos pondremos en contacto contigo a la mayor brevedad posible.